![]() |
|
||||
|
其中()数字系小齿轮轴电机的数值。
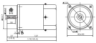
电机外形尺寸
|
|||||
电机特性表
|
电机型号
|
出力
|
电压
|
频率
|
极数
|
额定时间
|
额定
|
起动转矩
|
电容容量
|
|||||
|
转速
|
电流
|
力矩
|
|||||||||||
|
光电机
|
带齿轴电机
|
W
|
V
|
Hz
|
P
|
Duty
|
r/min
|
A
|
N.m
|
N.m
|
μf/VAC
|
||
|
5IK60A-AF
|
5IK60GN-AF
|
60
|
1ph110
|
50
|
4
|
连续CONT
|
1350
|
0.98
|
0.44
|
4.40
|
0.38
|
3.75
|
15.0/250
|
|
5IK60A-CF
|
5IK60GN-CF
|
60
|
1ph220
|
50
|
4
|
连续CONT
|
1350
|
0.52
|
0.44
|
4.40
|
0.40
|
4.00
|
4.0/450
|
|
5IK60A-SF
|
5IK60GN-SF
|
60
|
3ph220
|
50
|
4
|
连续CONT
|
1350
|
0.49
|
0.46
|
4.55
|
1.70
|
17.0
|
/
|
|
5IK60A-S3F
|
5IK60GN-S3F
|
60
|
3ph380
|
50
|
4
|
连续CONT
|
1350
|
0.28
|
0.46
|
4.55
|
1.70
|
17.0
|
/
|
|
5IK60A-DF
|
|
60
|
1ph220
|
50
|
2
|
连续CONT
|
2750
|
0.56
|
0.21
|
2.10
|
0.25
|
2.50
|
4.0/450
|
| 使用电压不同,电容容量也不相同。故应与使用电压相对应,正确使用。 |
| 不能正确使用是造成故障的主要原因。订货时,在确认使用电压后,选择正确的型号进行订货。 |
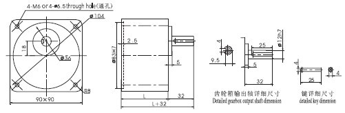
齿轮箱外形尺寸
![]() |
|
||||||||||||||||||||||||||||||
齿轮箱允许力矩齿轮箱型式:5GN□K
|
频率
|
减速比
|
|
3
|
3.6
|
5
|
6
|
7.5
|
9
|
10
|
12.5
|
15
|
18
|
20
|
25
|
|
50HZ
|
输出轴转速
|
r/min
|
500
|
417
|
300
|
250
|
200
|
166
|
150
|
120
|
100
|
83
|
75
|
60
|
|
允许力矩
|
N.m
|
1.03
|
1.24
|
1.72
|
2.6
|
2.58
|
3.10
|
3.10
|
3.88
|
4.65
|
5.38
|
5.60
|
7.01
|
|
|
10.5
|
12.7
|
17.6
|
21.0
|
26.3
|
31.6
|
31.6
|
39.6
|
47.4
|
54.9
|
57.1
|
71.6
|
|||
|
60HZ
|
输出轴转速
|
r/min
|
600
|
500
|
360
|
300
|
240
|
200
|
180
|
144
|
120
|
100
|
90
|
72
|
|
允许力矩
|
N.m
|
0.9
|
1.08
|
1.50
|
1.80
|
2.23
|
2.70
|
2.70
|
3.38
|
4.05
|
4.88
|
4.88
|
6.10
|
|
|
9.18
|
11.0
|
15.3
|
18.4
|
23.0
|
27.6
|
27.6
|
34.5
|
41.3
|
49.5
|
49.5
|
62.2
|
|
频率
|
减速比
|
|
30
|
36
|
40
|
50
|
60
|
75
|
90
|
100
|
120
|
150
|
180
|
200
|
|
50HZ
|
输出轴转速
|
r/min
|
50
|
41
|
37
|
30
|
25
|
20
|
16
|
15
|
12
|
10
|
8
|
7.5
|
|
允许力矩
|
N.m
|
8.41
|
10.1
|
11.2
|
14.0
|
16.8
|
19.6
|
19.6
|
19.6
|
19.6
|
19.6
|
19.6
|
19.6
|
|
|
85.8
|
103
|
114
|
143
|
171
|
200
|
200
|
200
|
200
|
200
|
200
|
200
|
|||
|
60HZ
|
输出轴转速
|
r/min
|
60
|
50
|
45
|
36
|
30
|
24
|
20
|
18
|
15
|
12
|
10
|
9
|
|
允许力矩
|
N.m
|
7.33
|
8.79
|
9.76
|
12.2
|
14.6
|
18.3
|
19.6
|
19.6
|
19.6
|
19.6
|
19.6
|
19.6
|
|
|
74.7
|
90.0
|
99.8
|
124
|
149
|
187
|
200
|
200
|
200
|
200
|
200
|
200
|
齿轮箱外形尺寸
|
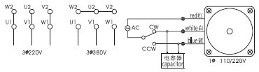
接线图

YONGKUN电机YONGKUN马达YK永坤小马达SPEED CONTROL MOTOR




